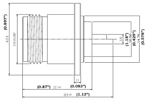
Crown P/N: CRN-1175TM
Description: | N (Female) Round Flange Receptace |
Body: | Tri-Metal (white bronze) / Brass |
Insulation: | Teflon |
Contact: | Gold / Phosphor bronze 50 ohm |
Notes: | ** Similar to Amphenol
# 172201 Click here for printable spec. sheet. |



*Measurements are in millimeters (inches)