Crown P/N: CRN-5058
Description: | N (Female) Panel Mt. Receptacle |
Body: | Nickel / Brass |
Insulation: | Teflon |
Contact: | Gold / Brass 50 ohm |
Notes: | ** ROHS COMPLIANT ** Click here for printable spec. sheet. |



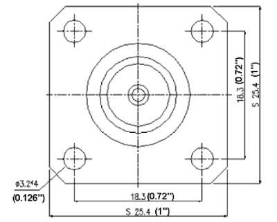
*Measurements are in millimeters (inches)